• 亚洲成色WWW成人网站妖精,妖精视频在哪个网址播放,妖精视频在线免费观看,妖精视频APP在线观看IOS

    谘詢熱線
    0373-268 2333
    廠家微信
    當前位置:首頁 > 公司產品 > 葵瓜籽妖精视频在哪个网址播放

    葵瓜籽妖精视频在哪个网址播放

    葵瓜籽妖精视频在哪个网址播放

    產品簡介:葵瓜籽妖精视频在哪个网址播放型號有直徑400,直徑600,直徑800,直徑1000,直徑1200,直徑1500,直徑1800等常規型號,也可以根據客戶的需求特殊定做

    谘詢報價銷售熱線:0373-268 2333

    葵瓜籽妖精视频在哪个网址播放:

    葵瓜籽妖精视频在哪个网址播放

    葵瓜籽也叫葵花籽是菊科草本植物向日葵的種。向日葵又名丈菊、向陽花、葵花。我國各地均有栽培。秋季將花托摘下,收集成熟的瘦果(種子),曬幹。臨用時除去果殼(稱葵瓜子仁)。性能:味甘,性平。現代用以降低血脂,又能驅蟲。可供食用和油用。葵花籽富含不飽和脂肪酸,多種維生素和微量元素,加上其味道可口,因而成為一種十分受人們歡迎的休閑零食和食用油源。由於葵花籽大小不一,雜質不易清除一直是瓜子生產企業所頭疼的問題。不過,現在亚洲成色WWW成人网站妖精機械已經解決了這一篩分難題,專門生產了葵瓜籽妖精视频在哪个网址播放來滿足客戶的篩分要求,從而為瓜子廠家節省了不少的開支。

    葵瓜籽

    葵瓜籽妖精视频在哪个网址播放由直立電機作激振源,電機上下兩端安裝有偏心重錘,將電機的旋轉運動轉變為水平、垂直、傾斜的三次元運動,再把這個運動傳遞給篩麵。調節上、下兩端重錘的相位角,可以改變物料在篩麵的運動軌跡。過濾豆漿的話,亚洲成色WWW成人网站妖精一般將妖精视频在哪个网址播放上下重錘的夾角調至90度。葵瓜籽妖精视频在哪个网址播放型號有直徑400,直徑600,直徑800,直徑1000,直徑1200,直徑1500,直徑1800等常規型號,也可以根據客戶的需求特殊定做。材質有不鏽鋼材質,碳鋼材質,316L材質,塑料妖精视频在哪个网址播放等,每個材質的價格也有所差別,不同的材質價格也不一樣,具體可以直接聯係廠家谘詢。

    葵瓜籽妖精视频在哪个网址播放結構及技術參數:

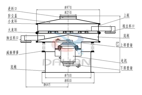
     葵瓜籽妖精视频在哪个网址播放結構:進料口,防塵蓋,大束環,細出料口,上框,粗出料口,底框,上部重錘,減振彈簧。

    葵瓜籽妖精视频在哪个网址播放技術參數:直徑mm:600-2000篩網麵積m:0.24-3.01篩網規格(目):2-500進料粒度mm:<10-<30電機功率kw:0.25-3

    葵瓜籽妖精视频在哪个网址播放優勢體現:

    1、篩分精度高,效率高,粉、粒、粘液類皆可適用。

    2、焊接部件無死角,易清洗消毒。

    3、DH係列旋振篩采用新型網架結構,篩網使用壽命長久,換網隻需3-5分鍾。

    4、整機可單層、多層篩網使用。

    5、體積小不占空間,移動方便,出口可以360度任意調整。

    6、篩框與物料接觸部分全部采用不鏽鋼製作。

    葵瓜籽妖精视频在哪个网址播放應用行業:

    葵瓜籽妖精视频在哪个网址播放應用行業:塑料細顆粒,洗衣粉,粉末,調料粉,金屬粉,麵粉等。

    旋振篩,直線妖精视频在哪个网址播放,搖擺篩,超聲波妖精视频在哪个网址播放,試驗篩

    Copyright © 2008-2022 妖精视频在哪个网址播放廠家 - 新鄉市亚洲成色WWW成人网站妖精振動機械有限公司 版權所有 免責聲明

    地址:延津縣森林公園大門西1000米路北 備案號:豫ICP備10432561號-20

    網站地圖